关于【电源ic引脚功能】,今天小编给您分享一下,如果对您有所帮助别忘了关注本站哦。
- 内容导航:
- 1、电源ic引脚功能:变频器电路常用IC引脚功能图
- 2、电源ic引脚功能,电源ic参数简介
1、电源ic引脚功能:变频器电路常用IC引脚功能图
变频器电路常用IC引脚功能图
说明:
从应用的维修的角度,掌握一些IC器件的引脚功能,便于测量部分引脚的电压(电平)状态,判断IC是否处于正常工作状态就够了。IC内部,具体是个什么电路,是来不及也无须去管它的。比如单片机电路,重点检测供电、复位、晶振、控制信号、输入信号几个端子的电压(电平)状态,就可以了。对于数字(包括光耦合器)电路,一般情况下,知道器件引脚功能,便可根据输入、输出端的逻辑关系,测量判断IC的好坏了。而模拟电路,在变频器电路中,一半是用于处理开关量信号的,如电压比较器等,检测判断上,同数字电路是一样方便的。部分处理模拟信号的模拟电路,可据动、静态电压的明显变化,测其好坏,也不是太难的事。

因而,只要知晓两点,1:IC是个什么类型的芯片,数字或模拟电路?2:引脚功能,该脚为输入、输出或供电脚?便能实施测量了。将变频器常用IC引脚功能图,集中附录于后,就不必花费大量时间再去查阅相关的手册了。
一、CPU(微控制器)芯片及外围IC电路引脚功能图:
1、CPU芯片-MB90F562B贴片封装64引脚,应用广泛:
2、CPU芯片-S87C196MH贴片封装80引脚,应用广泛:

3、CPU芯片-MN18992MDY-6塑封双列直插,64引脚,用于松下早期DV551、DV561机型:
4、CPU芯片-HD6404733037F贴片封装80引脚,应用广泛:
5、存储器引脚功能图:

93C56 24C04A 93C66
6、RS485通讯模块引脚功能图:

ADM485 SN75179B
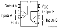
二、常用运算放大器引脚功能图:

LF347四运放电路 LM324四运放电路 LM339四运放(开路集电极输出)

LF353 双运放电路 LM393双运放(开路集电极输出) TL072四运放电路
运算放大器多用于电流、电压检测电路,用于处理模拟信号和将模拟信号转换为开关量信号——报警、停机保护信号。开路集电极输出型多用于电压比较器电路。运算放大器有较好的代换性,如上图LF347、LM324、TL072都可以直接代换。当引脚排列不一致时,改换端子接线也能代换。
开路集电极输出型运算放大器,必须用同类型放大器代换。
三、常用数字IC电路引脚功能图:

74LS00四2输入与非门 74LS07六缓冲器/驱动器 MC4044四与非R-S锁存器(三态)

MC14069六反相器 ULN2003A七路驱动器 74LS74A双D型正沿触发器
BU4066四双向模拟开关 74LS244八缓冲器/线驱动器/线接收器(三态)
数字集成电路据材料和制作工艺的不同,也分为几大类型。但以TTL(三极管-三极管逻辑)集成电路和CMOS(互补型金属氧化物半导体逻辑)集成电路为主。应用面最广、数量最大的是74系列的TTL电路和4000系列的CMOS电路。TTL电路功耗稍大,但工作频率较高和输出电流能力较强,供电电压为5V;CMOS电路特性与之相反。有较宽的供电电压(3.0—18V)范围。在5V供电情况下,同类型电路两者可以互换。不同供电情况下,TTL电路损坏后,可以考虑用CMOS电路代换。

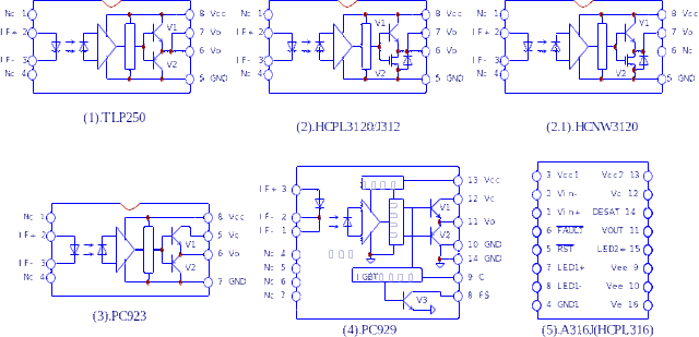
四、常用驱动IC:
TLP250和HCPL3120可直接代换,将输出引脚改动一下,也可与PC923相代换。PC923、PC923往往配套使用,而A4504和MC33153也是配套使用的,两者组合完成了PC929的功能。

五、常用光电耦合器:
4N35 6N139 TLP120

TLP591 A7840(HCPL7840)线性光耦 PC817
光电耦合器用于变频器的控制端子内电路,开关电源的电压采样与隔离等,只要是四线端元件,往往可用PC817代换之。线性光耦不能用普通光耦合器代换,最好用原型号器件代换。
六、开关电源振荡芯片:
8引脚封装UC3842 14引脚封装UC3842

8引脚封装UC3844 14引脚封装UC3844
UC3842、UC3844的引脚功能一致,都有8脚和14脚两种封装形式。UC3842、UC3843可相互代换;UC3844、UC4845可相互代换。
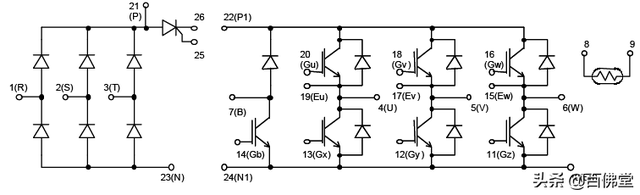
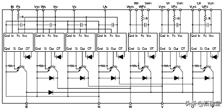
七、常用功率(逆变)模块:
7MBR35SD120 功率模块
BSM15GP120功率模块
功率模块的封装形式和尺寸一致,代换模块的额定电流值应等于或大于原损坏模块。

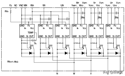
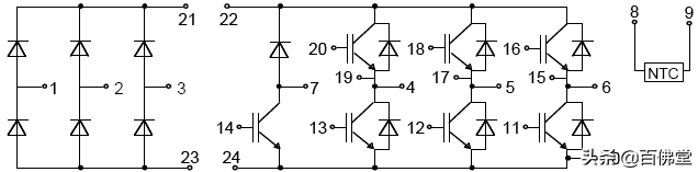
PM100VR120 IPM智能逆变功率模块
PM100RLA120 IPM智能逆变功率模块
智能功率模块应严格按原型号代换。
2、电源ic引脚功能,电源ic参数简介
导语:在很多电子产品的包装上我们都会看到上面有着“电源ic”的字样,可能大多数人都不知道这里的“电源IC”是什么意思,它到底代表怎样一个概念,不要着急,小编为你解答,我来为大家科普一下关于电源ic引脚功能?下面希望有你要的答案,我们一起来看看吧!


电源ic引脚功能
导语:在很多电子产品的包装上我们都会看到上面有着“电源ic”的字样,可能大多数人都不知道这里的“电源IC”是什么意思,它到底代表怎样一个概念,不要着急,小编为你解答。
电源IC是指电子产品开关电源的脉宽控制集成,电源完全靠它来控制输出电压电流的的大小,来维持整个系统的稳定。当下,随着电子科技技术的日新月异,特别是近十年以来,各种先进的电子科技技术飞速发展,迎来了电源IC发展的新时代。
现在的电源IC主要分为LDO、DC/DC、PWM这三大类,下面我分别为大家介绍这三种电源IC的作用以及它们的参数,以便于广大读者朋友们能够衡量出电源IC的优良与低劣。

首先,为大家介绍的是LDO这一IC,它在电子产品中主要起到的是稳压的作用,它是最为基础的电源IC,低输入是它最大的特点,所以它消耗的功率是最小的。由于它是最重要的电源IC,所以它的设计是非常复杂的。
DC/DC的作用主要是负责电压变换,它也是非常常用的电源IC。
PWM则主要起到脉宽调制的作用,主要用于手持和高级处理器产品,如我们平时用的手机,电脑等。所以PWM是与我们生活关联最密切的。
现在电源IC的发展已经不是一元化发展,而是多元化发展,我们生活中常见到的就是各种电源IC结合在一起,整合发挥出强大的系统功能。
下面我为大家介绍几种常用型号的电源IC参数值,好让大家有所了解。
首先介绍几种常用的电源调整器的IC参数。TOP245单片开关电源稳压器是最常用的电源IC之一,它的参数是:输入85V~265VAC,频率50HZ/60HZ,最大输出功率60W;UC3843B开关电源调整器也是一种常用的电源开关调整器,它的工作参数为:它的工作电压范围8.2V~30VDC,输出的驱动电流最小值1A,它的使用频率最大能达到500KHZ;TL494电源调整器的工作电压范围一般为7.0V~40VDC,输出驱动电流500mA,最大频率能达到500KHz.

再来介绍几种常用的线固性电压调整器:AS1117三端低压差稳定器,其最大输入电压12V,最小压差1.2V输出电压1.5V或2.5V;79L00三端正向电压调整器,它的最大输入电压35V,最小压差1.7V,输出电流100mA;7800系列三端负向电压调整器,输出电压最大能达到-35V,最小压差2.2V,输出电流能达到-1.5A。
以上呢,就是一些常见电源IC的作用及其参数,希望通过我的介绍能够对各位读者有所帮助。
本文关键词:电源ic型号大全,电源ic作用,电源ic长什么样,电源ic原理图,电源ic引脚定义大全。这就是关于《电源ic引脚功能,变频器电路常用IC引脚功能图》的所有内容,希望对您能有所帮助!




